咨询电话:
137 7171 0202
网站首页
关于我们
产品中心
行业领域
案例展示
新闻资讯
联系我们
网站首页
关于我们
产品中心
行业领域
案例展示
新闻资讯
联系我们
氮气系列
坚持用户至上的原则,一直秉承“科技、诚信、品质、服务”的宗旨
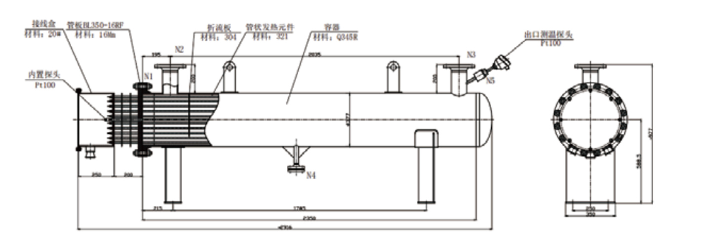
氮气加热氢装置
成品氮气经过管道输送到加热器容器内,利用加热元件加热氮气,达到10-200℃,外部保温处理。
技术指标
额定电压:380V 50Hz
加热介质:N2,流量:5-5000Nm³/H
加热温度:10℃/200℃
工作压力:0.1-0.8MPa
绝缘电阻:不小于10MΩ
介电强度:~2000V/1min不击穿和闪络现象
功率偏差:±10%
工艺流程图